Cara Pasang Pressure Control York Jakarta Pompa. Rangkaian ini bekerja secara Otomatis Pompa akan menyala saat terminal pada Sensor terhubung dan Pompa akan berhenti saat terminal sensor terputus.
Memasang Kabel Radar Pompa Tanpa Memotong Kabel Listrik Pompa Dengan Stop Kontak Youtube
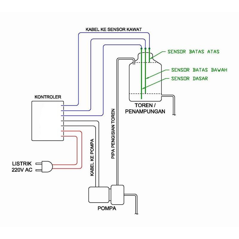
Rangkaian Kabel Otomatis Sanyo By.

. Otomatis shimizu sumur dangkal rangkaian. Perlu diketahui bahwa rangkaian kabel otomatis pompa air hanya merupakan jalur satu arah. Cara Menyambung Kabel Otomatis Pompa Air.
Jika lupa tidak perlu khawatir karena meskipun jalur kabelnya terbalik otomatis pompa air akan tetap berfungsi. Kupas kabel power yang sudah di persiapkan cek terlebih dahulu dengan tespen masih ada arus listrik atau tidak. Cara Memasang saklar Otomatis Pressure Switch pada pompa air dengan mudah Bismillahirohmanirohim.
Sambungan kabel dalam rangkaian pengering mesin cuci yang menghubungkan sumber listrik saklar timer dinamo harus bersifat tertutup agar dinamo dapat berputar. Kupas tiga kabel dari unit pompa sanyo merah biru dan kuning dengan gunting yang sudah disediakan buang kulit kabel antara 3cm sampai 5cm. Otomatis model pressure switch akan bekerja dengan normal apabila pada pipa hisap terpasang foot valve dan kondisinya baik tidak ada indikasi bocor.
Seringkali kita membutuhkan penghubung kabel guna memenuhi kebutuhan komponen. Transistor BC548 berfungsi sebagai saklar untuk menyalakan. Proses penyambungan kabel sanyo pompa air sangat mudah.
Setiap unit otomatis pompa memang harus distel dengan cara mencari setingnya yang tepat. Skema Jalur Kabel Mesin Cuci 2 Tabung Seputar Mesin. Jual Mobil KIA Sonet 2020 Premiere 15 Di DKI Jakarta Automatic Wagon.
Popa air sanyo ada 4 kabel mau pasang preassure swicth kabel warna apa yg disambung. Kapasitor Mesin Cuci 2 Tabung Sanyo. Perlu diketahui bahwa rangkaian.
Wijdan Sidiq Ramadhan 25 Juli 2018 1959. Cara pasang otomatis Sanyo. Rangkaian Kabel Pompa Air Otomatis Kumpulan Diagram Rangkaian Kabel.
Warna kabel ujung kumparan setiap motor pompa air bisa beda2 utk memastikan silahkan diukur pkai multimeter jadi ada kabel common kabel running kump utama dan kabel starting kump bantu yg kabel starting inilah yg dihubungkan dg kapasitor. Untuk menyambung kabel otomatis pompa air caranya sangat mudah. Jika kosong langsung sambung ketiga.
Begitu juga pada rangkaian pipa hisap harus dipastikan 100 rapat sampai pada koneksinya ke mesin pompa. Rangkaian Kabel Otomatis Pompa Air. Kita hanya perlu mengingat posisi jalur sambungan kabel tersebut ketika belum di lepas.
Saklar Otomatis Pompa Air Terbakar Abinya Fatha Fathi Wong Kendal Pantura
Fungsi Kapasitor Pada Pompa Air Dan Cara Menggantinya
Cara Memasang Saklar Otomatis Pressure Switch Pada Pompa Air Dengan Mudah Wijdan Kelistrikan
Diagram Kelistrikan Dan Arti Warna 3 Kabel Pompa Air Cara Ilmu
Saklar Otomatis Pompa Air Terbakar Abinya Fatha Fathi Wong Kendal Pantura
Menyambung Kabel Pompa Air Ke Saklar Dan Stop Kontak
How To Make Water Pump Auto On Off Switch Circuit Diagram Youtube
Cara Memasang Otomatis Air Pelampung Radar Tptumetro
Cara Memasang Saklar Otomatis Pressure Switch Pada Pompa Air Dengan Mudah Wijdan Kelistrikan
Rangkaian Otomatis Dan Manual Pompa Air 1 Phase 220 Volt Tempat Kita Berbagi Ilmu
Jual Saklar Otomatis Tandon Air Otomatis Pompa Air Mati Nyala Indonesia Shopee Indonesia
Cara Menyambungkan Kabel Otomatis Ke Pompa Air Dan Menghubungkan Ke Listrik Youtube
Cara Menyambung Kabel Otomatis Pompa Air Tehnik Mesin
Cara Pasang Kabel Radar Toren Ke Pompa Air Yang Benar Dan Praktis Beres Dalam Sekejap Rumah123 Com
Rangkaian Otomatis Dan Manual Pompa Air 1 Phase 220 Volt Tempat Kita Berbagi Ilmu
Cara Memasang Saklar Radar Pelampung Otomatis Di Tangki Cara Ilmu
Modifikasi Saklar Pelampung Otomatis Pada Pompa Air Supaya Lebih Safety Tidak Nyetrum Elektronika Hendry
9 Cara Pasang Otomatis Pompa Air Listrik Rumahlia Com
Rangkaian Kabel Otomatis Pompa Air Kumpulan Diagram Rangkaian Kabel